
閥門人工作中,要經常接觸各類零件圖紙,使用視圖、剖視圖、剖面圖表示零件的內外結構;各部分的輪廓尺寸及轉變。

正投影法
投影時投影線都相互平行,投影線與投影面相垂直的平行投影法。

1、基本視圖


2、向視圖

3、局部視圖

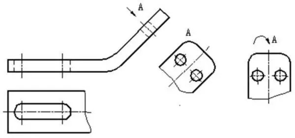
4、斜視圖

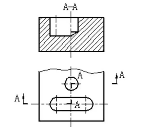
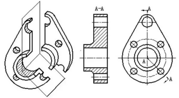
5、剖視圖

全剖視圖

半剖視圖

局部剖視圖

階梯剖視圖

旋轉剖

6、斷面圖
假想用剖切平面將機件在某處切斷,只畫出切斷面形狀的投影并畫上規定的剖面符號的圖形,稱為斷面圖,簡稱為斷面。

識讀閥門零件圖的一般方法和步驟
(1)首先看標題欄,概括了解零件
看標題欄,了解零件名稱、材料和比例等內容,從而大體了解零件的功用,從名稱判斷該零件屬于哪一類零件。從材料判斷該零件大致的加工方法。從比例判斷該零件的實際大小,從而對零件有初步的了解。
(2)分析研究視圖,想象結構形狀
看視圖,分析零件各視圖的配置及視圖之間的關系,采用的表達方法和表達的內容,運用組合體的讀圖方法,形體分析法和線面分析法來讀懂零件各部分的結構,想象出零件各部分的形狀、相對位置及其作用。
(3)分析所有尺寸,弄清尺寸要求
綜合分析視圖和形體,分析零件的長、寬、高三個方向的尺寸基準,然后從基準出發,以結構形狀分析為線索,再了解各形體的定形和定位尺寸,弄清各個尺寸的作用,圖形和尺寸表達的是零件的形狀和大小,讀圖時應把視圖、尺寸和形狀結構三者結合起來分析。
(4)分析技術要求,綜合看懂全圖
讀圖時應弄清表面粗糙度、尺寸公差、形位公差等技術要求。了解其代號含義。必要時還要聯系與該零件有關的零件一起分析。
